中央人民政府门户网站
|
陕西省人民政府
|
西安市人民政府
今日天气:
灞桥区气象局发布:今天晚上:阴,-1℃~7℃,风向:东北偏北风1-2级。
长者专版
无障碍浏览
登录
退出
注册
本站支持IPV6
首页
新闻中心
政务公开
政务服务
政民互动
走进灞桥
专题专栏
首页
/
政务公开
/
政 策
/
政府文件
/
规范性文件
/
正文
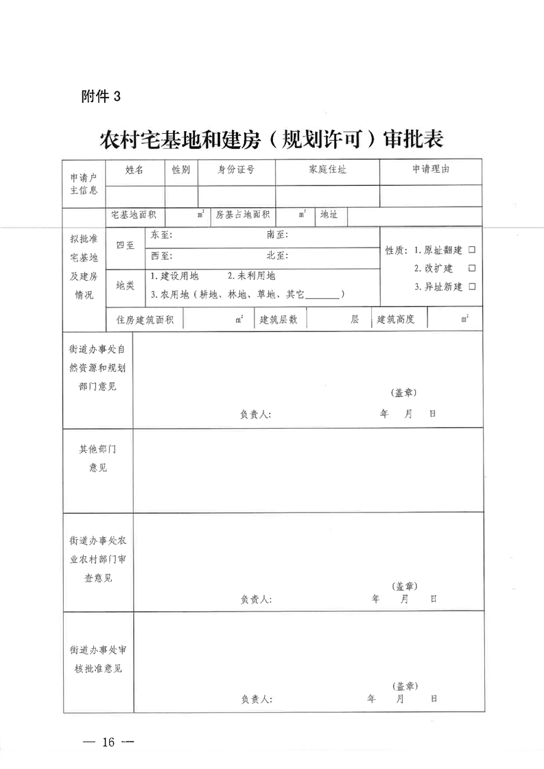
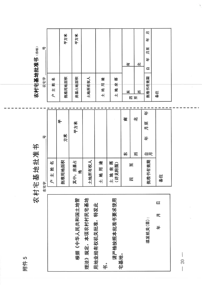
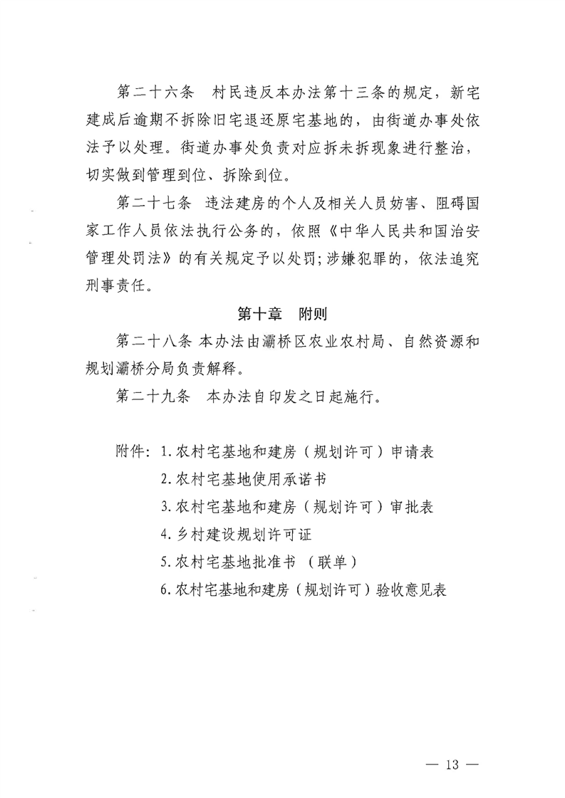
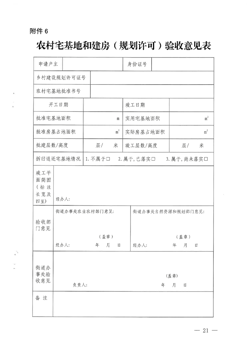
西安市灞桥区人民政府办公室关于印发《灞桥区农村宅基地审批和村民住宅建设管理办法(试行)》的通知 灞规〔2020〕003‐区政办003
索 引 号
116101115614813774/2020-004523
主题分类
城乡建设、环境保护\城乡建设(含住房)
发文字号
灞政办发〔2020〕18号
成文日期
2020-08-19
发布机构
西安市灞桥区人民政府办公室
有 效 性
废止
来源:西安市灞桥区人民政府办公室
发布时间:2020-08-19 11:16
浏览次数:
打印
保存
字体:
大
中
小
网络编辑:灞桥区超级管理员
分享:
扫一扫在手机查看当前页